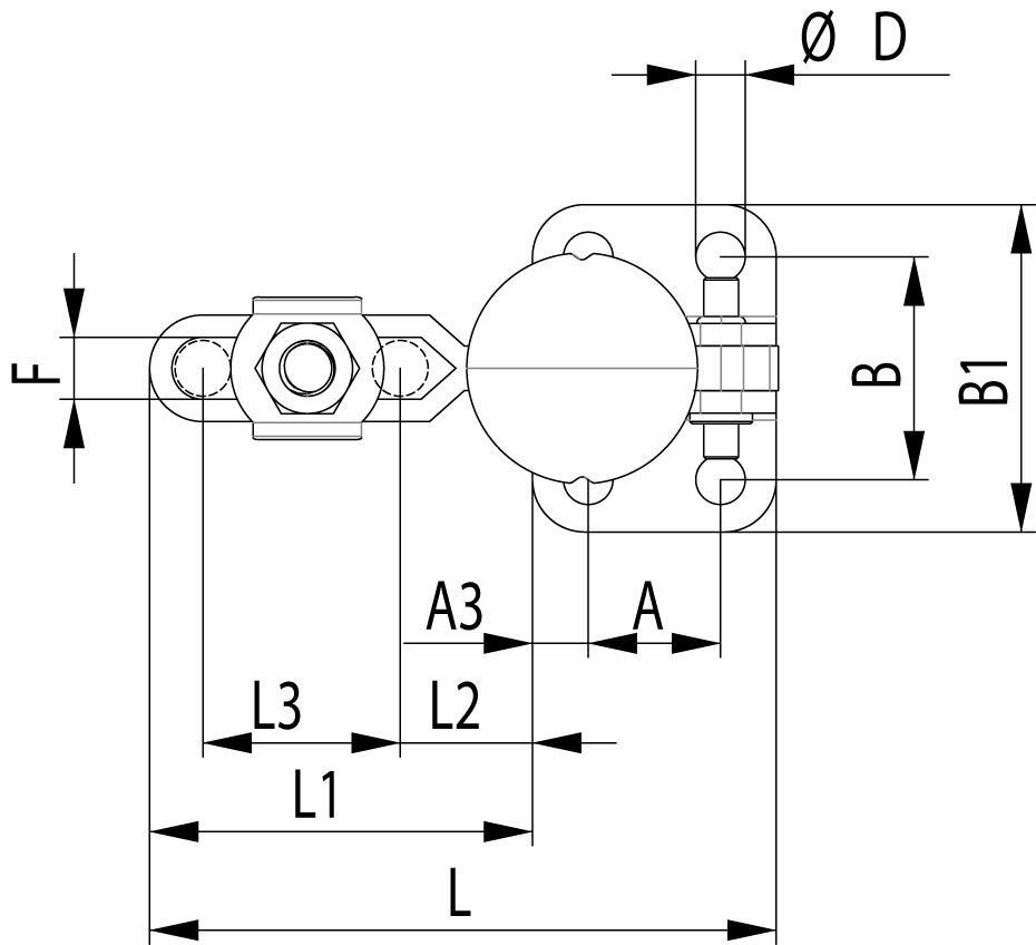
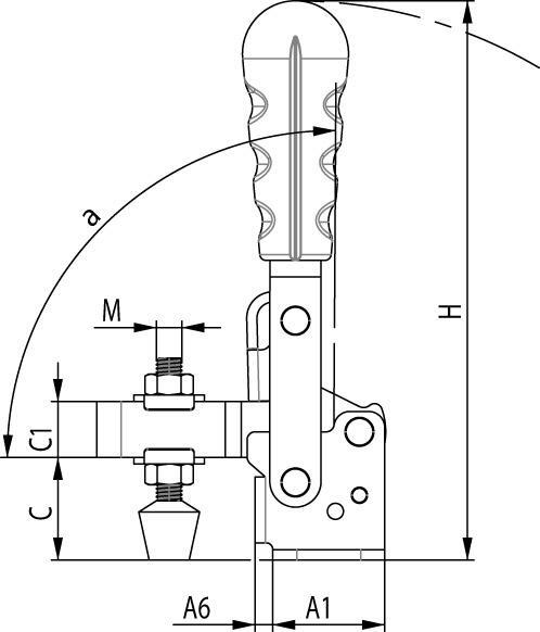
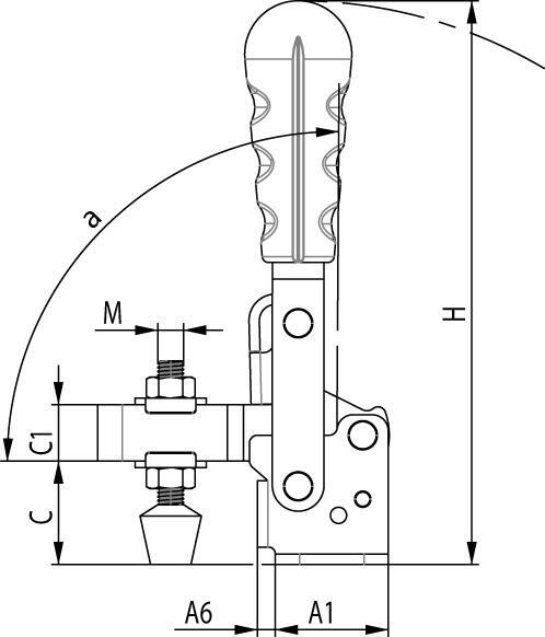
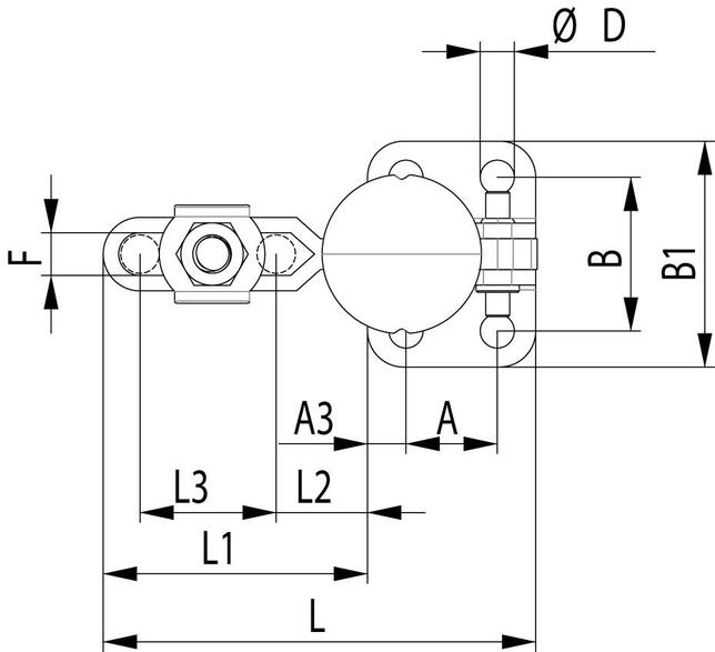
Svislá upínka Provedení: Se zalomenou upevňovací patkou, nerezovými pouzdry a nýty odolnými proti zkroucení. Pozinkovány a pasivovány. Plastová rukojeť s dlouhým provedením přídržného ramena. Rozsah dodávky: Svislá upínka s přítlačným vřetenem. Výrobca: Andreas Maier GmbH & Co KG, Waiblinger Str. 116, 70734 Fellbach, DE, +4971157660, amf@amf.de
Viacero výrobcov, ktorých produkty ponúkame, poskytuje predĺženú záruku. Niektorí výrobcovia, poskytujú predĺženú záruku na základe registrácie zo strany spotrebiteľa, niektoré stroje registrujeme my na základe predaja. Viac informácii k možnosti predĺženej záruky nájdete TU.
Naša dlhoročná prax nám umožňuje poskytovať kvalitné služby a produkty, ktoré spĺňajú potreby našich zákazníkov.
Naši experti sú pripravení pomôcť vám s výberom produktov, aby dokonale vyhovovali vašim požiadavkám a potrebám.
Naším cieľom je ponúkať kvalitné produkty za výhodné ceny, ktoré sú férové a konkurencieschopné.
Na vybrané produkty vám poskytujeme predĺženú záruku, aby ste mohli nakupovať s dôverou a bez obáv.

















































































































































































































































































































































