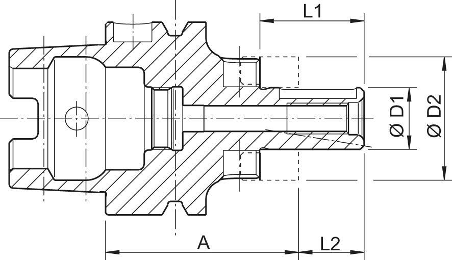
Upínač pre nástrčné frézy a frézovacie telieska Provedenie: Presné vyváženie. Zo špeciálnej cementačnej ocele pre vysoko namáhané konštrukčné diely s pevnosťou v ťahu v jadre min. 950 N/mm2. Tvrdosť: 58 ± 2 HRC Použitie: Na upnutie valcových čelných fréz DIN 841 a DIN 1880 a taktiež uhlových čelných fréz DIN 842 a frézovacích hláv DIN 1830. Rozsah dodávky: Kombinovaný nástrčný frézovací hrot komplet s utahovacím skrutkou pre frézu, unášacím krúžkom a lícovacou pružinou. Výrobca: Einkaufsbüro Deutscher Eisenhändler GmbH, EDE Platz 1, 42389 Wuppertal, DE, +4920260960, webkontakt@ede.de
Viacero výrobcov, ktorých produkty ponúkame, poskytuje predĺženú záruku. Niektorí výrobcovia, poskytujú predĺženú záruku na základe registrácie zo strany spotrebiteľa, niektoré stroje registrujeme my na základe predaja. Viac informácii k možnosti predĺženej záruky nájdete TU.
Naša dlhoročná prax nám umožňuje poskytovať kvalitné služby a produkty, ktoré spĺňajú potreby našich zákazníkov.
Naši experti sú pripravení pomôcť vám s výberom produktov, aby dokonale vyhovovali vašim požiadavkám a potrebám.
Naším cieľom je ponúkať kvalitné produkty za výhodné ceny, ktoré sú férové a konkurencieschopné.
Na vybrané produkty vám poskytujeme predĺženú záruku, aby ste mohli nakupovať s dôverou a bez obáv.

















































































































































































































































































































































